-
- 1946伟德始于英国 TWS无线耳机充电仓芯片ip6816带qi无线接收功能
- IP6816是一款集成Qi无线充接收、5V升压转换器、锂电池充电管理、电池电量指示的多功能电源管理SoC,为无线充TWS蓝牙耳机充电仓提供完整的电源解决方案。...
2023-02-16 查看(1979)
-
- 1946伟德始于英国 TWS对耳蓝牙充电仓soc芯片IP5516伟德客户端app下载安装教程图片方案设计
- IP5516是一款集成5V升压转换器、锂电池充电管理、电池电量指示的多功能电源管理SoC,为TWS蓝牙耳机充电仓提供完整的电源解决方案,IP5516的高集成度与丰富功能,使其在应用时仅需极少的外围器件,并有效减小整体方案的尺寸,降低BOM成本。IP5516内置一个5V输出...
2023-02-16 查看(873)
-
- 1946伟德始于英国 TWS无线耳机充电仓PCBA方案设计IP5403芯片
- IP5403是一款集成升压转换器、锂电池充电管理、电池电量指示的多功能的TWS充电盒SOC,为TWS充电盒提供完整的电源解决方案。IP5403的高集成度与丰富功能,使其在应用时仅需极少的外围器件,并有效减小整体方案的尺寸,降低BOM成本。...
2023-02-16 查看(468)
-
- 车载充方案 快充全协议芯片IP2726支持苹果三星华为
- 英集芯新推出的一款快充协议芯片IP2726是集成多种协议、用于USBC端口的快充协议IC TypeC PD2.0/PD3.0/PPS, QC4/QC4+, FCP, SCP, AFC, MTK PE+ 2.0/1.1, Apple , BC1.2...
2023-02-16 查看(1555)
-
- 车载充方案 英集芯 ip6528车载快充全集成ic
- ip6528是一款集成同步开关的降压转换器、支持14种输出快充协议、支持Type-C输出和USB PD2.0/PD3.0(PPS)协议的双口输出SOC IC,为车载充电器、快充适配器、智能排插提供完整的解决方案。...
2023-02-16 查看(6144)
-
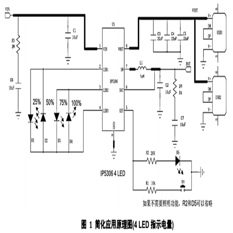
- 1946伟德官方网站 IP5306 2.1A充电2.4A放电移动电源SOC
- IP5306是一款集成升压转换器、锂电池充电管理、电池电量指示的多功能电源管理SOC,为移动电源提供完整的电源解决方案。可应用移动电源/充电宝;手机,平板电脑等便携式设备。...
2023-02-15 查看(2257)
-
- 1946伟德官方网站 USB PD五口全快充移动电源方案英集芯ip5328P
- 英集芯ip5328P是一款集成QC2.0/QC3.0输出快充协议、FCP/AFC/SFCP输入输出快充协议、MTK PE+ 1.1&2.0输出快充协议、USB C/PD2.0/PD3.0输入输出协议、USB C PD3.0 PPS输出协议、兼容BC1.2/苹果/三星手机...
2023-02-15 查看(864)
-
- 无线充电ic方案 英集芯IP6809无线充电双线圈15W方案SOC芯片
- IP6809是一款无线充电发送端控制器SOC芯片,兼容WPC Qi v1.2.4z*标准。支持2-3线圈无线充电应用,支持A28线圈、MP-A8线圈,支持客户线圈定制方案,支持5W、苹果7.5W、三星10W、15W充电。...
2023-02-15 查看(3227)
-
- 无线充电ic方案 5w无线充发射模块选用方案英集芯ip6805u主控芯片
- IP6805U支持静态FOD异物检测和动态FOD异物检测;静态FOD是指在没有无线充电时,能检测到线圈上的异物;动态FOD是指正在无线充电时,能检测到线圈上的异物,如需调整需要定制特殊固件参数;...
2023-02-15 查看(1111)




粤公网安备 44030902003772号