-
- 1946伟德官方网站 英集芯推出11颗磷酸铁锂充电宝专用芯片,最大功率140W
- IP2366是款集成AFCFCP/PD2.0/PD3.0/PD3.1等输入输出快充协议和同步升降压转换器的锂电池充放电管理芯片,充放电功率高达140W。IP2366支持4个电量指示灯,可显示电量和充放电状态。...
2025-07-29 查看(856)
-
- 1946伟德官方网站 英集芯IP5362发布:全球首款磷酸铁锂快充SoC终结传统方案痛点
- 封装规格:QFN48 (6mm × 6mm, 0.4pitch)应用产品 :移冨电源、充电宝、 手机、平板电脑等便挺设备。支持无线充模式,支持磷酸铁锂电电池,自冨检测手机插入和拔,单电感实现充电、放电功能。...
2025-07-29 查看(886)
-
- 1946伟德官方网站 英集芯科技 - 移动电源全集成芯片
- 英集芯移动电源芯片选型大全,英集芯移动电源带无线充芯片,英集芯移动电源芯片型号,英集芯充电宝芯片...
2025-07-15 查看(998)
-
- 1946伟德官方网站 英集芯IP5362移动电源,多协议快充高性能电源管理方案
- IP5362是一款支持三路Type-C接口与PD3.0快充协议的高集成移动电源SoC芯片,具备22.5W输出功率、±10%电流精度及磷酸铁锂电池兼容性,是高端充电设备的理想选择...
2025-03-03 查看(996)
-
- 1946伟德官方网站 英集芯:电源适配器+移动电源二合一方案_伟德客户端app下载安装教程图片
- IP5356M+IP2723T_AAC 共享输出方案包含两个 USB-A 接口和一个 TYPE-C接 口,USB-A2口 可 以 改 成 单 向 输 出 的CC线 缆 接 口。IP5385+IP2723T_ACC 共享输出方案包含两个 TYPE-C 接口和一个 USB-A 接口...
2024-05-17 查看(1077)
-
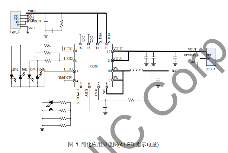
- 1946伟德官方网站 英集芯IP5326集成 TYPE_C 协议2.4A充放电移动电源SOC
- IP5326 是一款集成升压转换器、锂电池充电管理、电池电量指示的多功能电源管理 SOC,为移动电源提供完整的电源解决方案。只需一个电感即可实现降压与升压功能。可以支持低成本电感和电容的方案。...
2024-03-29 查看(1970)
-
- 1946伟德官方网站 英集芯IP5365快充协议芯片的移动电源 SOC_伟德客户端app下载安装教程图片
- 支持多个 USB 口快充输入输出,支持 3 路 Type-C、UFCS、PD3.0 等全部快充协议,应用产品:移动电源、充电宝、手机、平板电脑等便携设备等设备方案。集成 USB Power Delivery(PD2.0/PD3.0)协议...
2024-03-23 查看(1405)
-
- 1946伟德官方网站 英集芯IP2369支持 2~6 节串联电池最大充放电功率45W_伟德客户端app下载安装教程图片
- 英集芯IP2369支持 PD3.1等多种快充输入输出协议、集成升降压功率 MOS外接电阻可设置最大充放电功率,最大支持 45W 充放电源管理芯片。应用产品2~6 串锂电池/磷酸铁锂电池充放电。...
2024-03-22 查看(1880)
-
- 1946伟德官方网站 英集芯IP5383最大功率45W移动电源 SOC_伟德客户端app下载安装教程图片
- 英集芯IP5383数码管方案应用原理图,支持 SCP、PD3.0、UFCS 等快充协议,支持 2~5 节串联电池,集成H桥功率MOS管。应用产品:移动电源、便携式储能电源手机、平板电脑等便携设备电动工具。...
2024-03-22 查看(1144)




粤公网安备 44030902003772号