-
- 1946伟德国际始于英国娱乐场 英集芯PD快充全套多口方案选型介绍_伟德客户端app下载安装教程图片
- 双C口并联方案,双C并联方案,覆盖输出35W~100W功率段。2C1A双路并联方案,2C1A并联方案,在双C并联方案基础上增加一A口,覆盖输出35W~100W功率段。2C1A/3C双Flyback方案--任意双插获得最大功率,2C1A/3C分立方案,覆盖输出35W~100W功率段。2C1A双Flyb...
2024-12-18 查看(1036)
-
- 1946伟德国际始于英国娱乐场 英集芯IP2736/36U集成多种协议USB 端口快充协议 IC
- 集成 PD2.0/PD3.1/PPS/EPR 28V 协议集成对 E-Marker 线缆的识别和支持集成 Qc5/QC4+/QC3+/ac3.0/Qc2.0 协议支持 Class B 电压等级,适配器、车充等单向输出应用提供完整的解决方案。...
2023-11-04 查看(1073)
-
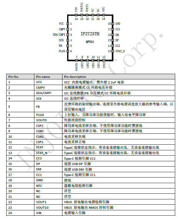
- 1946伟德国际始于英国娱乐场 英集芯IP2723T/TH集成多和协议,用于 USBC快充协议IC
- IP2723TH 集成多种协议、用于 USB 输出端口的快充协议 IC。支持多种快充协议,适配器、车充等单向输出应用提供完整的 TYPE-C 解决方案。IP2723TH 具备高集成度与丰富功能,在应用时仅需极少的外围器件,有效减小整体方案的尺寸,降低 BOM 成本。...
2023-11-03 查看(1151)
-
- 1946伟德国际始于英国娱乐场 INN700TK350B是英诺赛科700V GaN增强型功率晶体管
- 英诺赛科INN700TK350B氮化镓开关管,采用TO252封装,额定耐压为700V,瞬态耐压为800V,具有更多余量。电源支持90-264V输入电压,220V输入满载输出效率高达93.5%,体现氮化镓性能优势。...
2023-11-03 查看(1176)
-
- 1946伟德国际始于英国娱乐场 INN700D190B是英诺赛科700V硅基GaN增强型功率晶体管
- INN700D190B英诺赛科GaN氮化镓65W快充PD/QC充电器电源ic芯片,一款功能强大的硅基GaN增强型功率晶体管,适用于多种应用,特别是需要高耐压、高频率、高效率和低开关损耗的应用。...
2023-11-03 查看(1186)
-
- 1946伟德国际始于英国娱乐场 INN700DA350B英诺赛科700VGaN增强型功率晶体管
- 氮化镓MOS,耐压700V,内阻mΩ350,封装DFN5*6,适用功率45-75W,适配产品充电器。尺寸为5mmX6mm的双扁平无铅封装(DFN)700V硅基GaN增强型功率晶体管,增强型晶体管正常关闭电源开关。...
2023-11-01 查看(871)
-
- 1946伟德国际始于英国娱乐场 英集芯IP6537U集成多种快充45W输出协议降压ic芯片SOC
- 支持PD2.0/PD3.0/PPS,QC2.0/QC3.0/QC3+,AFC,FCPMTK,可提供最大45W 的输出功率,能够根据识别到的快充协议自动调整输出电压和电流。IP6537U 采用 QFN24(4mm*4mm)封装,应用:车载充电器,快充适配器。 ...
2023-10-24 查看(1021)
-
- 1946伟德国际始于英国娱乐场 英诺赛科GaN设计的65W氮化镓GAN PD充电器成熟量产方案
- 英诺赛科GaN功率器件INN650D01和INN650D02设计的65W氮化镓GAN PD充电器成熟量产方案,助力快充充电器厂家快速应用氮化镓小体积充电器方案。...
2023-10-10 查看(859)
-
- 1946伟德国际始于英国娱乐场 65w氮化镓和普通65w有什么区别?65w氮化镓充电器优点
- 基于国内氮化镓功率器件厂家英诺赛科InnoGaN开发完成的AC-DC电源65W氮化镓充电器方案。产品系列包含1C、1A+1C,2C,1A+2C等多种输出款式方案,同时可根据要求为客户设计氮化镓充电器方案。轻松通过国内外各类业内认证。...
2023-10-10 查看(945)




粤公网安备 44030902003772号